Palazzo a Monopoli, Chiasso Portanova
Monopoli Chiasso PortanovaNel cuore del centro storico, a pochi…
€760,000
VENDI O RICERCA IL TUO IMMOBILE IN PUGLIA
Contrada Boccadoro, Ostuni, Brindisi, Puglia, Italia
Vendita
€240,000
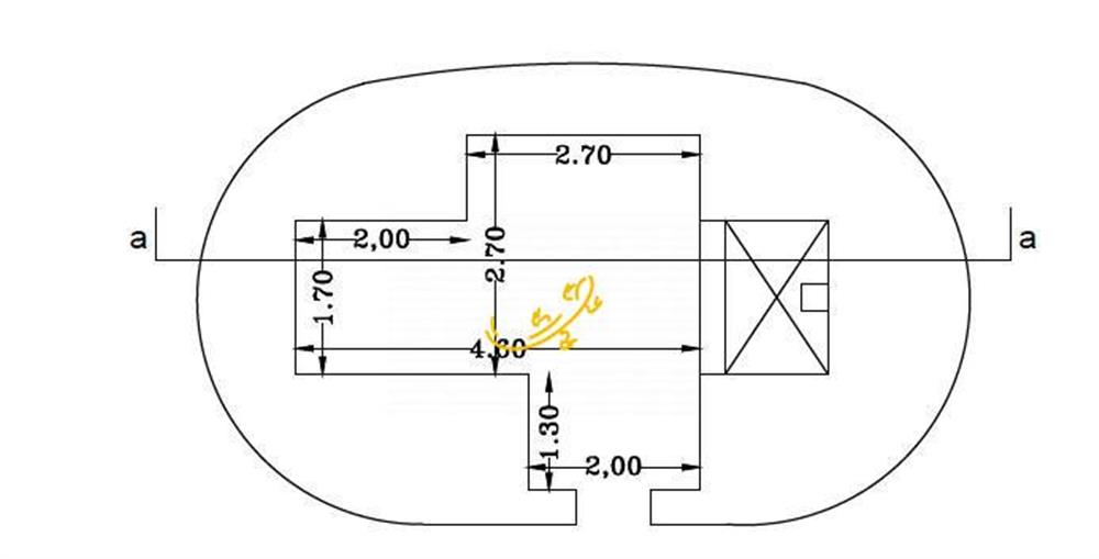
Ostuni – Contrada Boccadoro
Nelle campagne di Ostuni, in un contesto riservato e immerso nella tipica vegetazione mediterranea, proponiamo in vendita una proprietà composta da un terreno di circa 19.000 mq, arricchito da uliveto e mandorleto e da caratteristici fabbricati in pietra, tra cui trulli e un casolare esistente. La proprietà dispone di progetto approvato per la realizzazione di una villa di nuova costruzione con piscina, pensata per integrarsi armoniosamente con il paesaggio rurale e valorizzare l’autenticità dell’architettura locale. Il progetto prevede una residenza elegante e funzionale con quattro camere da letto, quattro bagni, zona living, spazi esterni attrezzati, pergolato e piscina, ideale sia come residenza privata di charme sia come investimento turistico di fascia alta. Il terreno, ben esposto e caratterizzato da ampi spazi aperti, garantisce privacy, tranquillità e contatto con la natura, offrendo il contesto ideale per la realizzazione di una dimora esclusiva nella campagna pugliese. La presenza del progetto già autorizzato rappresenta un valore aggiunto significativo, consentendo di avviare direttamente la fase realizzativa senza le tempistiche legate all’iter autorizzativo. Una soluzione di particolare interesse per chi desidera realizzare una villa di prestigio in Puglia, coniugando tradizione, natura e comfort contemporaneo.
Interni: circa 150mq
Terreno: circa 19.000mq
Camere: 4
Bagni: 4
Monopoli Chiasso PortanovaNel cuore del centro storico, a pochi…
€760,000
Putignano – Strada Comunale del RosarioA pochi minuti dal centro…
€250,000
Questo sito Web utilizza i cookie per migliorare la tua esperienza. Daremo per scontato che ti stia bene, ma puoi annullare l'iscrizione se lo desideri.
AccettaRifiutaImpostazioni
| Cookie | Durata | Descrizione |
|---|---|---|
| cookielawinfo-checkbox-necessary | 11 months | This cookie is set by GDPR Cookie Consent plugin. The cookies is used to store the user consent for the cookies in the category "Necessary". |
| cookielawinfo-checkbox-others | 11 months | This cookie is set by GDPR Cookie Consent plugin. The cookie is used to store the user consent for the cookies in the category "Other. |
| cookielawinfo-checkbox-performance | 11 months | This cookie is set by GDPR Cookie Consent plugin. The cookie is used to store the user consent for the cookies in the category "Performance". |